Задание 25. Электродинамика (расчетная задача высокого уровня). ЕГЭ 2024 по физике
Средний процент выполнения: 34.9%
Ответом к заданию 25 по физике может быть целое число или конечная десятичная дробь.
Задачи для практики
Задача 1
Электрон прошёл ускоряющую разность потенциалов 100 В и влетел в однородное магнитное поле индукцией 5 · 10−4 Тл перпендикулярно сило вым линиям поля. Определите радиус траектории электрона в этом поле.Ответ дать в см.
Решение
Дано:
$U=100B$
$e=1.6·10^{-19}$Кл
$m_e=9.11·10^{-31}$кг
$B=5·10^{-4}$Tл
$α=90^o$
$R-?$
Решение:
Так как электрон влетел в однородное магнитное поле под прямым углом, то он будет двигаться по окружности радиуса $R$, где на него будут действовать сила Лоренца, которые будет задавать электрону центростремительное ускорение: $F_л=m_ea_{ц.с.}=eυB·sinα$, где $sinα=sin90=1$, $a_{ц.с.}={υ^2}/{R}; m_e{υ^2}/{R}=eυB$, откуда $R={m_eυ}/{eB}$(1). Скорость электрона $υ$ найдем из уравнения: $eU={m_eυ^2}/{2}$, откуда $υ=√{{2eU}/{m_e}}$(2), где $e$ — заряд электрона, $m$ — масса электрона.
Подставим (2) в (1): $R={m_e·√{{2eU}/{m_e}}}/{e·B}={√{2m_e·e·U}}/{e·B}={√{2m_e·U}·√{e}}/{√{e}·√{e}·B}={√{2m_e·U}}/{√{e}·B}={√{2·9.11·10^{-31}·100}}/{5·10^{-4}·√{1.6·10^{-19}}}={13.498·10^{-15}}/{20·10^{-4}·10^{-10}}=0.067=6.7$см.
Задача 2
Тонкая шёлковая нить выдерживает силу натяжения 9,8 · 10−3 Н. Подвешенный на этой нити шарик массой 0,67 г имеет заряд q1 = 1,1 · 10−9 Кл. Снизу в направлении линии подвеса на расстоянии 1,8 см к нему подносят шарик, имеющий заряд q2 противоположного знака. При каком модуле заряда q2 нить может разорваться? Ответ выразите в (нКл) и округлите до целых.
Решение
Дано:
$r=1.8·10^{-2}$м
$m=0.67·10^{-3}$кг
$q_1=1.1·10^{-9}$Кл
$k=9·10^{9}{Н·м^}/{Кл^}$
$q_2-?$
Решение:

Из рисунка видно, что сила натяжения нити $F↖{→}$ равна сумме силы тяжести $mg↖{→}$ и силы Кулона ${F_к}↖{→}$: $F=mg+F_к$(1), где $F_к={k·|q_1|·|q_2|}/{r^2}$(2).
Подставим (2) в (3) и выразим $q_2$: $F=mg+{k·|q_1|·|q_2|}/{r^2}⇒q_2={(F-mg)·r^2}/{k|q_1|}$(3).
Подставим числовые значения в (3): $|q_2|={(9.8·10^{-3}-0.67·10^{-3}·10)·3.24·10{-4}}/{9·10^{9}·1.1·10^{-9}}={3.1·10^{-3}·3.24·10^{-4}}/{9·1.1}=1.01·10^{-7}=101·10^{-9}=101$нКл.
Задача 3
Электрон прошёл ускоряющую разность потенциалов 100 В и влетел в однородное электрическое поле напряжённостью 2·103 В/м в направлении силовых линий поля. Определите расстояние, которое электрон пролетел до остановки.
Решение
Дано:
$U=100B$
$e=1.6·10^{-19}$Кл
$E=2·10^3$В/м
$S-?$
Решение:

Если разность потенциалов $U$ ускоряющая, то работа ускоряющего электрон поля $A_1=|q|U$ ($q=e$ — заряд электрона) равна увеличению кинетической энергии электрона: $E_к-E_{к0}=A$.
Кинетическая энергия после прохождения ускоряющей разности потенциалов: $E_к={mv^2}/2$, где $m$ — масса электрона, $v$ — скорость, которую приобрёл электрон.
Так как начальная скорость равна нулю, начальная кинетическая энергия тоже равна нулю: $E_{к0}=0$.
Из (1) получим ${mv^2}/2=eU$
Когда электрон влетает в однородное электрическое поле, скорость его уменьшается до нуля, поскольку на него действует сила Кулона: $F_к=e·E$(2). Сила Кулона совершает работу: $A=-F_к·S$ (2), которая равна изменению энергии электрона $A=E_{к2}-E_к$ (3). Здесь $E_{к2}=0$ — конечная кинетическая энергия электрона (когда он остановился), $E_к={mv^2}/2$ — найденная ранее кинетическая энергия электрона после прохождения ускоряющей разности потенциалов.
Приравняв (2) и (3) получим: $-e·E·S=-{mv^2}/2$ (4).
Приравняв (1) и (4), получим: $eE·S=eU⇒S={U}/{E}$(3). Подставим числа: $S={100}/{2·1000}={1}/{20}=0.05м=5$см.
Задача 4
Прямой проводник с током 2 А находится в однородном магнитном поле с индукцией 10 Тл. Угол между направлением тока в проводнике и линиями индукции магнитного поля равен 30◦. Определите активную длину проводника, если к нему приложена сила 2 Н. Ответ выразите в (м).
Решение
Дано:
$J=2A$
$B=10$Тл
$α=30°$
$F_A=2H$
$l-?$
Решение:

На проводнике с током в однородном магнитном поле действует сила Ампера: $F_A=J·B·l·sinα$(1), где $l$ — длина проводника. Выразим $l$ из (1): $l={F_A}/{J·B·sinα}$(2). Подставим числовые значения в (2): $l={2}/{2·10·sin30°}={1}/{10·0.5}={1}/{5}=0.2$м.
Задача 5
Сопротивления 400 Ом и 200 Ом включены последовательно в электрическую цепь. Какое количество теплоты выделится на втором сопротивлении, если на первом за то же время выделилось 6 кДж теплоты? Ответ выразите в (кДж).
Решение
Дано:
$R_1=400$Ом
$R_2=200$Ом
$Q_2-?$
$Q_1=6$кДж
Решение:
Соединение последовательное $I=I_1=I_2$, а $U=U_1+U_2$, $R=R_1+R_2$.
$Q_2=I^2R_2t$
$Q_1=I^2R_1t$, следовательно $I^2={Q_1}/{R_1t}$
$Q_2={Q_1R_2t}/{R_1t}={Q_1R_2}/{R_1}={6·10^3·200}/{400}=3$кДж
Задача 6
На катушку электрического звонка намотана медная проволока длиной 14,4 м. Найдите площадь поперечного сечения проволоки, если сопротивление катушки равно 0,68 Ом. Ответ выразите в (мм2) и округлите до сотых.
Удельное сопротивление меди берите за 0.018 ${Ом·мм^2}/ м$
Решение
Дано:
$l=14.4$м
$R=0.68$Ом
$S-?$
$ρ=0.018{Ом·мм^2}/ м$
Решение:
$R=ρ{l}/{S}$ — уравнение для определения сопротивления.
$S={ρl}/{R}={0.018·14.4}/{0.68}=0.38мм^2$
Задача 7
Чему равен потенциал, до которого может зарядиться металлическая пластина, работа выхода электронов из которой 1,6 эВ, при длительном освещении потоком фотонов с энергией 4 эВ? Ответ выразите в (В).
Решение
Дано:
$A_{вых}=1.6$эВ
$hυ=4$эВ
$U_з-?$
Решение:
По уравнению Эйнштейна определим задерживающее $U(B)$: $hυ=A_{вых}+eU_з$
$eU_з=hυ-A_{вых}=4эВ-1.6эВ=2.4$эB
$U_з=2.4$B
Задача 8
Катушка диаметром 40 см находится в переменном магнитном поле. При изменении индукции магнитного поля на 127 мТл в течение 2,0 мс в катушке возбуждается ЭДС 200 В. Сколько витков проволоки имеет катушка? (Ответ округлить до целых)
Решение
Дано:
$d=40·10^{-2}$м
$∆B=127·10^{-3}$Гл
$∆t=·10^{-3}$c
$ε_i=200B$
$n-?$
Решение:
$ε_i=-N·{∆Ф}/{∆t}$
$∆Ф=∆B·S·cosα$, $S=π·{d/4}^2$.
Преобразуем и получим: $N={ε_i·t·4}/{π·d^2∆B}={200·2·10^{-3}·4}/{π·(40·10^{-2})^2·127·10^{-3}}=25$витков.
Задача 9
В однородное электрическое поле со скоростью 5000 км/с влетает электрон и движется по направлению линий напряжённости поля. Какое расстояние пролетит электрон до полной потери скорости, если модуль напряжённости поля равен 600 В/м? Ответ выразите в (см) и округлите до целых.
Решение
Дано:
$υ_1=5·10^6$ м/с
$υ_2=0$ м/c
$E=600$ В/м
$d-?$
Решение:
При движении, электрон тормозит электрическое поле. По теореме о кинетической энергии, изменение кинетической энергии равно работе действующей силы. В данном случае, ${m_eυ^2}/{2}=eU=eEd$
$d={m_eυ^2}/{2eE}={9.1·10^{-31}·0.25·10^{14}}/{2·1.6·10^{-19}·600}=12$см.
Задача 10
Частица, имеющая заряд 0,2 нКл, переместилась в однородном горизонтальном электрическом поле на расстояние 0,45 м по горизонтали за время 3 с. Какова масса частицы, если её начальная скорость равна нулю, а напряжённость электрического поля 500 В/м? Ответ выразить в (мг).
Решение
Дано:
$q=0.2$нКл
$S=0.45$м
$t=3$с
$E=500$В/м
$m-?$
Решение:
Рассмотрим 2-й закон Ньютона спроецированный на горизонтальную ось. На частицу действуют $F_{тяж}$ и $F_{эл}$;
Запишем 2-й закон Ньютона в проекции на горизонтальную ось:
тогда $qE=ma_{гор}; a_{гор}={q·E}/{m}$, перемещение по Ох определяется $S={a_{гор}·t^2}/{2}$
Преобразуем, получим: $m={q·E·t^2}/{2·S}={0.2·10^{-9}·500·3^2}/{2·0.45}=10^{-6}=1$мг.
Задача 11
Два конденсатора с ёмкостями C1 = 250 пФ и C2 = 150 пФ включены в электрическую цепь, как показано на рисунке. ЭДС источника тока равна 6,2 В. Определите напряжение на конденсаторе C1, если известно, что при коротком замыкании цепи ток через источник возрастает в 3,7 раза.
Решение
Дано:
$С_1=250·10^{-12}$ф
$С_2=150·10^{-12}$ф
$ε=6.2$В
$n=3.7$
$U_1-?$
Решение:
Напряжение на резисторе, подключенном параллельно к конденсаторам: $U=U_1+U_2$(1), где $U_1$ и $U_2$ — напряжения на первом и втором конденсаторах соответственно. Конденсаторы соединены последовательно, следовательно, заряды на них будут одинаковыми: $q=C_1U_1=C_2U_2$(2). Решая совместно уравнения (1) и (2), получим: $U_1={C_2U_2}/{C_1}; U_2={C_1U_1}/{C_2}$
$U={C_2U_2}/{C_1}+U_2⇒U_2({C_2}/{C_1}+1)=U⇒U_2={U}/{({C_2}/{C_1}+1)}⇒U_2={U}/{{C_2+C_1}/{C_1}}⇒U_2={C_1U}/{C_1+C_2}$(3). Аналогично: $U=U_1+{C_1U_1}/{C_2}⇒U_1(1+{C_1}/{C_2})=U⇒U_1={U}/{(1+{C_1}/{C_2})}⇒U_1={U}/{{C_1+C_2}/{C_2}}⇒U_1={C_2U}/{C_1+C_2}$(4).
Через конденсаторы ток не идет, поэтому закон Ома для рассматриваемой цепи запишется в виде: $J={ε}/{R+r}$(5), где $r$ — внутреннее сопротивление источника; $J$ — сила тока, текущего через источник и резистор. Падение напряжения на резисторе, согласно закону Ома для однородного участка цепи: $U=J·R=ε-Jr$(6). Ток короткого замыкания соответствует условию $R=0$, т.е. $J_0={ε}/{r}$(7). Согласно условию задачи: ${J_0}/{J}=n=3.7$(8).
Подставляя (5) и (7) в выражение (8), имеем: ${ε}/{r}:{ε}/{(R+r)}=3.7⇒{ε}/{r}·{(R+r)}/{ε}=3.7⇒{R+r}/{r}=3.7⇒R=3.7r-r=2.7r$, т.е. $R=2.7r$(9). Подставляя (9) в (5), получим: $J={ε}/{2.7r+r}={ε}/{3.7r}$(10).
После подстановки силы тока $J$ в (6), получим: $U=ε-{ε·r}/{3.7·r}⇒U=ε-{ε}/{3.7}={3.7ε-ε}/{3.7}⇒U={2.7ε}/{3.7}={2.7·6.2}/{3.7}=4.524B$
Подставляя числовые значения в (4), имеем: $U_1={150·10^{-12}·4.524}/{400·10^{-12}}=1.6966≈1.7B$
Задача 12
На дифракционную решётку, имеющую период 5 · 10−6 м, падает нормально параллельный пучок зелёного света с длиной волны 5,3 · 10−7 м. Сколько дифракционных максимумов можно наблюдать при помощи этой дифракционной решётки?
Решение
Дано:
$d=5·10^{-6}м$
$λ=5.3·10^{-7}м$
$α=90°$
$N-?$
Решение:
Число дифракционных максимумов определяется выражением: $N=2k+1$(1), где $k$ — номер максимумов (количество максимумов). Запишем условие дифракционных максимумов дифракционной решетки: $d·sinα=kλ$(2), где $d$ — период дифракционной решетки. Синус $α$ меньше либо равен единице, т.е. $sinα ≤ 1$, мы возьмем максимальное значение синуса при угле $α=90°, sin90°=1$, чтобы определить максимальное количество дифракционных максимумов.
Из (2) найдем $k:k={d·sinα}/{λ}={5·10^{-6}·1}/{5.3·10^{-7}}≈9.43$, то есть порядок наибольшего максимума равен $9$. Тогда имеем: $N=2k+1=2·9+1=18+1=19$.
Задача 13
Горизонтально расположенный проводник движется равноускоренно в вертикальном однородном магнитном поле, индукция которого равна 0,5 Тл и направлена перпендикулярно проводнику и скорости его движения. При начальной скорости проводника равной нулю и ускорении 8 м/с2 проводник переместился на 1 м. ЭДС индукции на концах проводника в конце перемещения равна 2 В. Какова длина проводника? Ответ выразите в (м).
Решение
Дано:
$B=0.5Тл$
$υ_0=0м/c$
$a=8м/с^2$
$x=1м$
$ε=2B$
$l-?$
Решение: ЭДС индукции в проводнике, движущемся в однородном магнитном поле: $ε=-{∆Ф}/{∆t}$(1). Изменение магнитного потока за малое время $∆t: ∆Ф=B·∆S$(2), где площадь определяется как: $∆S=l·∆x$(3), тогда имеем: $∆Ф=B·l·∆x$(4). Следовательно, $|ε|={B·l·∆x}/{∆t}=B·l·υ$(5), где $υ$ — скорость движения проводника. В конце пути длиной $x$ скорость проводника $υ=√{2ax}$(6), где $a$ — ускорение так, что подставив (6) в (5), имеем: $|ε|=B·l·√{2ax}$(7), откуда длина проводника $l$ равна: $l={|ε|}/{B√{2ax}}$(8). $l={2B}/{0.5·√{2·8·1}}={2B}/{0.5·4}=1м$
Задача 14
В электрической цепи, схема которой изображена на рисунке, конденсатор C изначально незаряжен. Ключ K переводят в положение 1. Затем, спустя длительное время, переключают его в положение 2 и снова ждут в течение достаточно большого промежутка времени. В результате перевода ключа в положение 2 энергия конденсатора увеличивается в n = 16 раз. Найдите сопротивление резистора R2, если R1 = 12 Ом.
Решение
Дано:
$A=25·10^3Дж$
$A′=20·10^3Дж$
${T_н}/{T_х}-?$
Решение:
Обозначим напряжение на конденсаторе после перевода ключа в положение 1 через $U_1$, а после перевода ключа в положение 2 — через $U_2$. Поскольку энергия $Е$ конденсатора, заряженного до напряжения $U$, равна $Е={CU^2}/{2}$, то отношение энергии конденсатора при положении ключа 2 к энергии конденсатора при положении ключа 1 равно $n={Е_2}/{E_1}={{CU_2^2}/{2}}/{{CU_1^2}/{2}}={U_2^2}/{U_1^2}$
Пусть сила тока, текущего через резисторы, равна $l$. При этом напряжения $U_1$ и $U_2$ на конденсаторе равны напряжениям на соответствующих участках цепи имеющих сопротивления $R_1$ и $R_1+R_2$. На основании закона Ома для участка цепи, получаем: $U_1=IR_1$ и $U_2=I(R_1+R_2)$.
Следовательно, $n={U_2^2}/{U_1^2}=({R_1+R_2}/{R_1})^2=(1+{R_2}/{R_1})^2$
Отсюда, $R_2 = (√n — 1)·R_1 = (4-1)·12Ом = 3·12 Ом = 36 Ом$.
Задача 15
Шар массой 50 г, подвешенный на нити длиной 1 м к кронштейну, совершает колебания. Чему равна сила упругости, возникающая в стержне AC кронштейна, в момент прохождения шаром положения равновесия со скоростью 2 м/с? Считать, что стержень BC испытывает только деформацию сжатия, а стержень AC — деформацию растяжения. Угол ACB равен 30◦. Ответ выразите в (H).
Решение
Дано:
$m=0.05кг$
$g≈10$Н/кг
$L=1м$
$υ=2м/с$
$∠ACB=30°$
$F_{упр}-?$
Решение:

Из рисунка видно, что $F_{упр}=(mg+ma_{цб})·cosβ$(1), где $β=90°-α=90°-30°=60°; cos60°={1}/{2}$. Тогда учитывая, что $a_{цб}={υ^2}/{R}={υ^2}/{L}$(2), имеем: $F_{упр}=(mg+m{υ^2}/{L})·cosβ$(3). Подставим числовые значения в (3), получим: $F_{упр}=(0.05·10+{0.05·4}/{1})·cos60°=(0.5+0.2)·{1}/{2}=0.7·{1}/{2}=0.35H$
Задача 16
Предположим, что в результате развития нанотехнологий удалось создать дифракционную решётку с периодом 10 нм. В вакуумной камере на эту решётку направили в перпендикулярном направлении узкий пучок электронов. Первый дифракционный максимум на экране, параллельном решётке и находящемся за ней на удалении 20 см, наблюдается на расстоянии около 15 мм от оси пучка. Какова скорость электронов? Ответ округлите до десятков. Ответ выразите в (км/с).
Решение
Дано:
$d=10^{-8}м$
$L=0.2м$
$l=15·10^{-3}м$
$k=1$
$m_e=9.11·10^{-31}кг$
$h=6.626·10^{-34}Дж·с$
$υ-?$
Решение:
Запишем условие максимумов интенсивности на дифференционной решетке: $d·sinϕ=kλ$, где $λ$ — длина волны. $sinϕ={l}/{L}$(2), так как угол $ϕ$ очень мал. Подставим (2) в (1) и найдем $λ$: $λ={d·l}/{L·k}={10^{-8}·15·10^{-3}}/{0.2·1}=7.5·10^{-10}м$
Учитывая, что импульс фотона равен: $p={h}/{λ}$(3). Подставим числа: $p={6.626·10^{-34}}/{7.5·10^{-10}}=0.88·10^{-24}{кг·м}/{с}$
Учитывая, что импульс электрона равен: $p=m_eυ$, откуда $υ={p}/{m_e}$(4). Подставим числа d (4): $υ={8.8·10^{-25}}/{9.11·10^{-31}}=0.96977·10^6м/с≈970км/с$
Задача 17
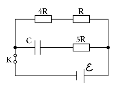
На рисунке приведена схема цепи с параметрами ε = 12 В, C = 10 мкФ, R = 5 Ом. Какое количество теплоты выделится на резисторе R после размыкания ключа K ? Внутренним сопротивлением источника пренебречь. Ответ укажите в $10^{-6}$ Дж
Решение
Дано:
$ε=12B$
$C=10^{-5}$ф
$R=5$Ом
$Q-?$
Решение:

Электрический ток при замкнутом ключе К и заряженном конденсаторе через последовательно соединенные сопротивление 5R и конденсатор С не идет, поэтому напряжение на конденсаторе 5R $U_{5R}=0$. Конденсатор и резистор 5R параллельно соединены с последовательно соединенными резисторами 4R и R, поэтому для напряжений справедливо равенство: $U_c+U_{5R}=U_R+U_{4R}$. Выражая напряжения через закон Ома для участка цепи получим: $U_c=J·(R+4R)=5JR$(1).
По закону Ома для полной цепи ток равен: $J={ε}/{R+4R}={ε}/{5R}(2)$ (внутреннее сопротивление источника по условию пренебрежимо мало)
Подставим (2) в (1): $U_c={5·ε·R}/{5R}=ε=12B$(3).
Следовательно, пока ключ К замкнут, на пластинах конденсатора накапливается заряд и электрическая энергия: $W_э={CU_c^2}/{2}={cε^2}/{2}={10^{-5}·(12)^2}/{2}={144·10^{-5}}/{2}=72·10^{-5}$Дж(4).
После размыкания ключа К, вся энергия конденсатора выделится в виде тепла на последовательно соединенных резисторах $4R,R$ и $5R$, пропорционально их сопротивлениям: $W_э=(4+1+5)Q$

Откуда количество теплоты, выделяющееся на сопротивлении $R$ равно: $Q={W_э}/{10}={72·10^{-5}}/{10}=72·10^{-6}$Дж.
Задача 18
Какое количество теплоты рабочее вещество в цикле Карно отдаёт холодильнику, если количество теплоты, полученное от нагревателя, составляет 100 кДж? Температуры нагревателя и холодильника в рассматриваемом цикле Карно такие же, как максимальная и минимальная температуры цикла, изображённого на рисунке.
Решение
Дано:
$Q_н=10^5$Дж
$p_1=2p_0$
$V_1=V_0$
$p_2=2p_0$
$V_2=2V_0$
$p_3=p_0$
$V_3=2V_0$
$p_4=p_0$
$V_4=V_0$
$Q_x-?$
Решение:
КПД цикла Карно определяется выражением: $η=1-{Т_х}/{Т_н}$(1)
Из уравнения идеального газа $pV={m}/{μ}RT$(2), следует: ${p_1V_1}/{T_1}={p_2V_2}/{T_2}⇒{2p_0V_0}/{T_1}={2p_0V_0·2}/{T_2}⇒T_2=2T_1$(3)
${p_2V_2}/{T_2}={p_3V_3}/{T_3}⇒{2p_02V_0}/{T_2}={p_02V_0}/{T_3}⇒T_2=2T_3$(4)
Из уравнений (3) и (4) следует, что $T_1=T_3$(5)
${p_3V_3}/{T_3}={p_4V_4}/{T_4}⇒{p_02V_0}/{T_3}={p_0V_0}/{T_4}⇒T_3=2T_4$(6)
$T_2=2T_3=2·(2T_4)=4T_4$(7)
Таким образом, максимальная температура цикла — $T_н=Т_2$, минимальная — $T_х=Т_4$.
Тогда КПД $η=1-{Т_4/{Т_2}=1-{Q_х}/{Q_н}$, следовательно ${Q_х}/{Q_н}={Т_4/{Т_2}$;
${Q_х}={Т_4/{Т_2}{Q_н}=1/4{Q_н}=25$кДж
Задача 19
Батарейка с ЭДС 12 В и внутренним сопротивлением 1 Ом замкнута на резистор сопротивлением 5 Ом. Какая мощность выделяется во внешней цепи? Ответ выразите в (Bт).
Решение
Дано:
$ε=12$В
$r=1$Ом
$R=5$Ом
$p-?$
Решение:

Запишем закон Ома для полной цепи и найдем силу тока: $J={ε}/{R+r}={12}/{5+1}=2A$(1).
Мощность по определению равна: $p=J·U$(2), где $U=J·R=2·5=10B$(3) — падение напряжения на резисторе $R$. Подставим числовые значения в (2), имеем: $P=2·10=20$Bт.
Задача 20
Батарейка с ЭДС 12 В и внутренним сопротивлением 1 Ом замкнута на резистор сопротивлением 5 Ом. Каково напряжение на клеммах батарейки? Ответ выразите в (B).
Решение
Дано:
$ε=12$В
$r=1$Ом
$R=5$Ом
$U_Б-?$
Решение:

Запишем закон Ома для полной цепи: $J={ε}/{R+r}$(1), тогда $J={12}/{1+5}=2A$.
Тогда напряжение на клеммах батарейки по закону Ома для участка цепи равно: $U_Б=J·R$(2), подставим числовые значения в (2), имеем: $U_Б=2·5=10$B.